爱豆传媒映视AV-爱豆传媒在线观看-爱豆传媒在线观看ID-爱豆传媒在线看-爱豆福利导航-爱豆福利导航网-爱豆视频-爱豆视频在线观看高清-爱豆视频在线观看免费-爱豆网站免费观看官网

bbin寶盈靈犀X1 PowerFlow R系列執行器產品手冊

發布時間:2025-01-14 16:12:44

1. 安全須知


· 了解產品:在使用該產品之前,請仔細閱讀產品手冊,了解產品的功能、操作方式以及安全注意事項。

· 遵循使用要求:確保機器在適宜環境中進行使用,避免過高或過低的溫度、潮濕環境等。

· 電源安全:操作前確保所有電纜、插頭、插座完好無損。遇到異常情況(如短路、過熱等)時立即斷開電源。

· 定期檢查:定期進行維護和檢查,確保機器的組件如電機、電源等正常運行,避免因老化或損壞導致的危險。

· 防止誤用:確保機器不會用于任何不當、危險或法律禁止的場景。



2. 產品簡介

2.1 產品概述

bbin寶盈靈犀X1 PowerFlow R系列執行器包含三款,分別為 PowerFlow R86-3, PowerFlow R86-2, PowerFlow R52。它們通過高度集成一體化的設計,將減速器、電機、電機驅動器進行整合優化,各模塊結構緊湊,便于安裝拆卸。

其中PowerFlow R86-3和R86-2 電機都采用了經典分數槽配合,選取最優的極槽配合,有效降低了齒槽轉矩幅值和轉矩波動,在繞組上,采用了集中式繞組,提高了槽滿率和轉矩密度。減速方式采用行星減速器,PowerFlow R86-3采用了三級減速比(48:1),而PowerFlow R86-2則采用了二級減速比(16:1)。

27.png

PowerFlow R86-3執行器

28.png


 PowerFlow R86-2執行器


PowerFlow R52減速方式也為行星減速器,采用了二級減速比(36:1)

29.png

 PowerFlow R52執行器

R系列三款執行器都具有很高的承載能力和壽命;同時自研了高集成的驅動方案,雙編碼器反饋實現閉環控制,使其具備速度環、力矩環、位置環、MIT混合控制;不僅如此,還具備過流、過壓欠壓、超速、過溫等多重保護機制,保證產品穩定可靠運行。


2.2 主要特性

· 低成本QDD關節

· 中空走線*

· 高集成度FOC驅動

· 多圈絕對值編碼方案

· 模塊化動力配置

*只有PowerFlow R86-3和R86-2采用了中空走線


2.3 產品參數


PowerFlow   R系列執行器性能規格表

類型

參數單位PFR86-3PFR86-2 PFR52

關節性能參數

電機極對數

/14147

工作電壓

V DC15~5515~5515~55

額定電壓

V DC484848

額定轉速

rpm307050

額定電流

Arms10.49.81.9

額定轉矩

N.m60206

峰值電流

Arms35426.8

峰值轉矩

N.m2008019

峰值轉速

rpm85260130

反電動勢系數

Vrms/Krpm133.6133.6228.6

轉矩系數

N.m/A3.971.3661.894
減速器參數

減速比

/481636

減速器背隙

arcmin181212
其他

重量

kg1.280.810.45


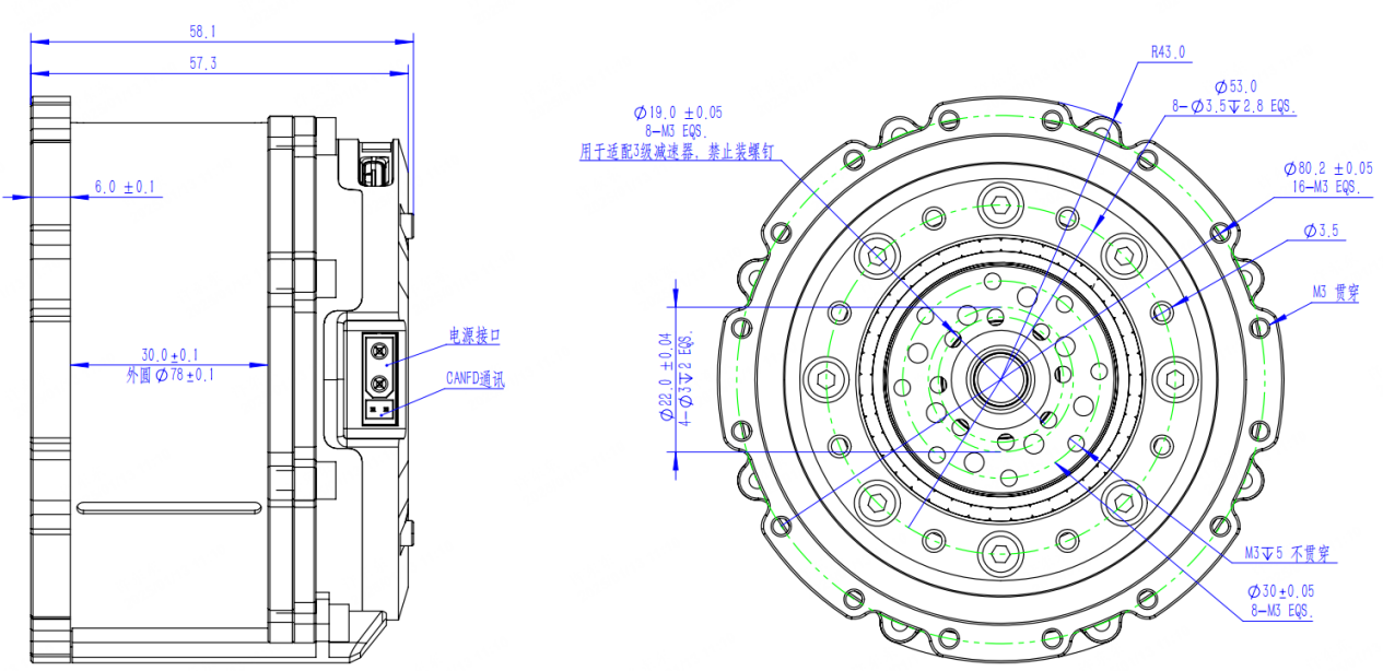
3. 產品尺寸信息

PowerFlow R86-3產品尺寸信息

30.png

PowerFlow R86-2產品尺寸信息

31.png

PowerFlow R52產品尺寸信息

32.png


4. 電氣接口互聯

R系列三款執行器,電氣接口采用歸一化設計,三款執行器的接口引腳定義如下,

電源CAN通訊口引腳定義:XT30(2+2)

序號

PIN定義

功能描述

1

PGND

總電源地

2

DC-BUS

總電源輸入  48V

3

CAN_L

CAN總線-

4

CAN_H

CAN總線-

3PIN燒錄口引腳定義:

序號

PIN定義

功能描述

1

SWDIO

燒錄數據線

2

SWCLK

燒錄時鐘線

3

GND

電源地



5. CMD上位機控制方式

下載上位機軟件REF-CLI v1.0.3.exe

R系列執行器基本操作所需要的命令如下:

ref0    #查看關節固件信息  fw_version=329(v3版本);fw_version=327(v2版本)
  ref0.motor.config  #查看關節參數信息
  ref0.motor.request_state(1) #關節使能(狀態:綠燈常亮)
  ref0.motor.request_state(0) #關節失能(狀態:綠燈閃爍)
  ref0.motor.config.ctrl_mode=0/1/2/3/4/5/6 #切換不同模式,針對關節進行控制,整機使用默認模式6才可以
  # 0 電流環模式
  # 1 電流環梯形加減速模式
  # 2 速度環
  # 3 速度環梯形加減速模式
  # 4 位置環模式
  # 5 位置環梯形加減速模式
  # 6 MIT模式        
  ref0.motor.ctrl.set_vel(0)  #速度模式下,輸出轉速為0rad/s,設置為(1)為正向,設置為(-1)為反向
  ref0.motor.ctrl.set_cur(0)  #電流環模式下,輸出控制電流0A,方向設置同轉速一致
  ref0.motor.ctrl.set_pos(0)  #位置環模式下,輸出位置為0點位置
  ref0.motor.ctrl.set_mit((0),(0),(0),(0),(0))  #MIT模式下,輸出控制
  ref0.can_node_id=1  #設置關節ID號
  ref0.save_config()  #保存參數設置
  ref0.motor.apply_user_offset() #設置關節零位
  ref0.save_config()  #保存參數設置

執行器報紅燈指南:

ref0.motor.error_code  #查詢故障代碼
  # 0 代表無錯誤
  # 2 代表過壓
  # 4 代表欠壓
  # 8 代表超過轉速限制
  # 16 代表mos溫度超過限制
  # 32 代表過流
  # 512 代表關節未標定
  # 256 代表關節標定失敗

出于保護使用者,執行器做了電流保護功能,輸出力矩會受到影響,如需放開限制,請輸入以下代碼操作:

ref0.motor.config.current_limit=70    #修改線電流限制 86-2/3的閾值是70A,52-2的閾值是12A
  ref0.motor.config.protect_over_current=30    #修改母線電流限制 86-2/3的閾值是30A,52-2的閾值是8A
  ref0.save_config()  #保存以上參數設置


6. 通信接口及協議

PowerFlow R系列執行器支持 CANFD 通信方式,仲裁域波特率 1M,采樣點80%,數據域波特率5M,采樣點75%。


6.1 使能 / 失能

執行器在控制之前需要先使能,控制協議如下:

MSG ID

DLC

D0

D1

can_node_id

2

Cmd

State

  • can_node_id: 執行器的節點ID,可通過上位機進行修改

  • Cmd: 0x01

  • State: 目標狀態,00 失能,01 使能

發送后可根據 6.1.3上行狀態中的 "State" 字段來判斷是否使能成功。


6.2 MIT模式控制

使用MIT模式前,需要根據上位機將執行器的控制模式切換至 "6 MIT模式",該模式可以保存,上電后自動切換。

MIT模式控制目前只支持在廣播模式下運行,廣播模式說明如下:

MSG ID

DLC

D0 - D7

D8 - D15

D16 - D23

D24 - D31

D32 - D39

D40 - D47

D48 - D55

D56 - D63

0

64

id 1

id 2

id 3

id 4

id 5

id 6

id 7

id 8

廣播模式下,報文ID固定為0,數據域長度為64。

每個節點根據其ID選用數據域中的8個字節,例如 ID為2的執行器取用的數據段為 D8 - D15。

注:由于數據長度有限,該模式下每條總線最多串聯8個節點,ID設置的范圍為 1 - 8 。

 

每個執行器取用廣播幀中的8個字節,定義如下:

D0

D1

D2

D3

D4

D5

D6

D7

Pos [15:8]

Pos [7:0]

Vel [11:4]

Vel [3:0] 4bit H

Kp [11:8] 4bit L

Kp [7:0]

Kd[11:4]

Kd[3:0] 4bit H

tor[11:8] 4bit L

tor[7:0]

該模式下,所有的目標參數都有設定的限制范圍,在上位機中可以使用如下命令進行查看:

ref0.motor.config.mit_params     // 打印所有MIT模式參數

默認情況下,出廠設置為:

型號

Pos Max   (rad)

Vel (rad/s)

Tor (Nm)

Kp

Kd

R86 - 3

-6.28 ~ 6.28

-12.56 ~ 12.56

-100 ~ 100

 0 ~ 500

0 ~ 8

R86 - 2

-6.28 ~ 6.28

-12.56 ~ 12.56

-100 ~ 100

 0 ~ 500

0 ~ 8

R52

-6.28 ~ 6.28

-12.56 ~ 12.56

-50 ~ 50

 0 ~ 500

0 ~ 8

在下發控制報文時,需要把目標值的浮點數轉為整形填入報文,參考轉換方法如下,需要傳入范圍值與目標值,以及數據占用的位數

int MitFloatToUint(float x, float x_min, float   x_max, int bits) {
    /// Converts a float to an unsigned   int, given range and number of bits ///
    float span = x_max - x_min;
    float offset = x_min;
    return (int)((x - offset) *   ((float)((1 << bits) - 1)) / span);
  }

例如,目標位置值的轉換,需要按照如下方法調用,然后將轉換完成的目標值填入報文對應的字段即可。

int pos_cmd = MitFloatToUint(target_pos, -6.28,   6.28, 16);

 


6.3 上行狀態

每當執行器收到一幀數據并成功解析后,會上報一幀狀態數據,具體定義如下所示:

MSG ID

DLC

D0

D1

D2

D3

D4

D5

D6

D7

can_node_id

8

Pos [15:8]

Pos [7:0]

Vel [11:4]

Vel [3:0] 4bit H

Cur [11:8] 4bit L

Cur [7:0]

Error Code 4bit H

State 3bit

Heartbeat 1bit L

Reserved

?           MSG ID: 執行器的節點ID,在上位機中對應 ref0.can_node_id

?           State: 執行器當前的狀態,00 為失能,01 為使能

?           Hearbeat:心跳數據包,每次發送數據都會取反一次

?           ErrorCode: 錯誤碼,對應下方表格數據取 log2

錯誤碼

錯誤描述

0

無錯誤

0x0001

控制模式無效

0x0002

過壓

0x0004

欠壓

0x0008

過速

0x0010

過溫

0x0020

過流

0x0040

相電阻超出范圍

0x0080

相電感超出范圍

0x0100

極對數超出范圍

0x0200

未校準

上報的狀態數據中包含扭矩速度位置等信息,需要參考以下方法將整形數據從報文中取出,并轉成浮點值,使用方法和數據范圍參考6.2小節。

float MitUintToFloat(int x_int, float x_min, float   x_max, int bits) {
    /// converts unsigned int to float,   given range and number of bits ///
    float span = x_max - x_min;
    float offset = x_min;
    return ((float)x_int) * span /   ((float)((1 << bits) - 1)) + offset;
  }

 


7. 其他

本手冊基于 PowerFlow R86-3 硬件 Ver3.0/Ver1.3, PowerFlow R86-2 硬件 Ver3.0/Ver1.3, PowerFlow R52 硬件 Ver3.0/Ver1.3,驅動軟件版本Ver3.2.7(V1.3硬件)以及Ver3.2.9(V3.0硬件)編寫。

其他產品手冊中未注明事項,請查閱bbin寶盈官網,或聯系bbin寶盈服務人員獲取信息。


主站蜘蛛池模板: 玛曲县| 镇巴县| 文昌市| 习水县| 深州市| 黄冈市| 濮阳县| 会同县| 泾川县| 台南市| 元氏县| 手机| 丰镇市| 若尔盖县| 册亨县| 汕尾市| 舞阳县| 徐汇区| 天门市| 扬中市| 洪洞县| 家居| 澄城县| 巨鹿县| 洛川县| 麻城市| 永济市| 城固县| 云和县| 天津市| 东乌珠穆沁旗| 潢川县| 同仁县| 文登市| 太原市| 嘉义县| 武冈市| 岳普湖县| 广宗县| 武胜县| 磴口县|